欢迎加入推券客联盟
亲,请登录
或
免费注册
|
联系客服
搜淘宝
搜京东
搜拼多多
搜索
今日热搜:
207611
500003
4593
4941
60269
6771
微信扫一扫
关注微信公众号
查券更方便
首页
9块9包邮
超级人气榜
品牌优惠券
淘宝优惠券
京东优惠券
拼多多券
优惠券头条
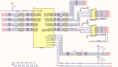
TMS320DM368开发原理图 DM368 带TVP5146 AIC3101 TVP7002 KS8001
15.8元
¥15.8
活动结束时间:01-01 08:00
累计销量 :
0
件
TAG标签:
TMS320DM368
原理
TVP5146
AIC3101
立即领券
复制优惠
手机淘宝扫码领券购买
商品详情
特别推荐
Evereden安唯伊润肤油
原价¥518
200
件
10元券
¥
508
戴可思婴儿秋冬面霜敏感肌可用
原价¥119
2万
件
60元券
¥
59
戴可思秋冬婴儿金盏花护理面霜
原价¥39.9
6万
件
10元券
¥
29.9
厨邦605g*2瓶渔女蚝油
原价¥47
8000
件
24元券
¥
23
酒祖杜康经典礼盒52度洛阳礼
原价¥215.7
800
件
30元券
¥
185.7
【澳诺】葡萄糖酸钙锌口服液10ml*24支/盒
原价¥65
300
件
27元券
¥
38
【星鲨】维生素AD滴剂600IU1800IU*60粒/盒
原价¥78.9
2000
件
39元券
¥
39.9
GiGwi贵为猫爪板立式L型靠墙抓板耐磨瓦楞纸猫咪窝磨爪器保护沙发
原价¥66
1000
件
15元券
¥
51
万痛万痛筋骨正品颈椎肩周关节
原价¥19.9
2000
件
10元券
¥
9.9
babycare山茶轻柔纸尿裤/拉拉裤
原价¥73.08
1万
件
20元券
¥
53.08
PMPM白睡莲水乳保湿锁水沙漠干皮
原价¥129
5000
件
72元券
¥
57
2027李永乐考研数学660题+330题
原价¥62.46
1000
件
30元券
¥
32.46